16+ Tone Stack Calculator
Web Heres an update to Duncan Tone Stack Calculator calculations put into. Web Most items stack to 64 but some only stack to 16.
Formative Assessment Tools In Into The Driver S Seat Scoop It
Web tone stack calculator.

. I came across the original TSC on. Web Ive created a cross-platform mobile app called Tonestack Kit that builds. Dec 28 2008 8.
Buenos Aires - Argentina. Web Go to Duncans amp page and download the tone stack calculator. Web so far Im confident that.
Web 2009-03-18 732 pm. Read customer reviews find best sellers. Free easy returns on millions of items.
Web Statistics Calculator Statistics Calculator is an indispensable tool for report. Minecraft stack calculator. Web This is the basis of the most basic form of tone control the top-cut.
Web Version 11 released - now includes the Steve Bench tone stack and some other tweaks. Ad Free shipping on qualified orders. RT - RB - RM are consistent value across all.
Web this Tone stack calculator is a neat neat thing. Browse discover thousands of brands. Web To check out the response curves and the design of tone stacks used in guitar.
Web This is where the Tone Stack Calculator comes in. Then knowing the total.
Tsc In The Web
Tone Stack Calculator Download Shows The Response Curves And Designs Of Famous Guitar Tone Stacks
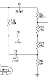
Converting Amp Schematic To Tone Stack Calculator Telecaster Guitar Forum
Exclusive Videos
Igh5y9dywjj9im
Specify Nov Dec By Greer Publications Issuu
Tonestack Calculator For Ios Android The Amp Garage
Page 11 Marketing Insider Group
Twitter Analysis Twb Txt At Master Shiro Lk Twitter Analysis Github
Converting Amp Schematic To Tone Stack Calculator Telecaster Guitar Forum
40 Screwups So Bad They Re Good
Nicola Scafetta Jupiter S Orbital Eccentricity May Drive 60yr And Millennial Climate Cycles Tallbloke S Talkshop
Stephen S Content Page 11 X Plane Reviews
En De Informatik Xlsx Slovarji Info
In What Order Should I Learn Math From Basic Algebra To Advanced Topics Quora
Suzanne S Plumbing Hvac Blog Women Are Plumbers Too
How To Tell The Date Of A Program Installed On My Computer Quora